페이지 정보

본문

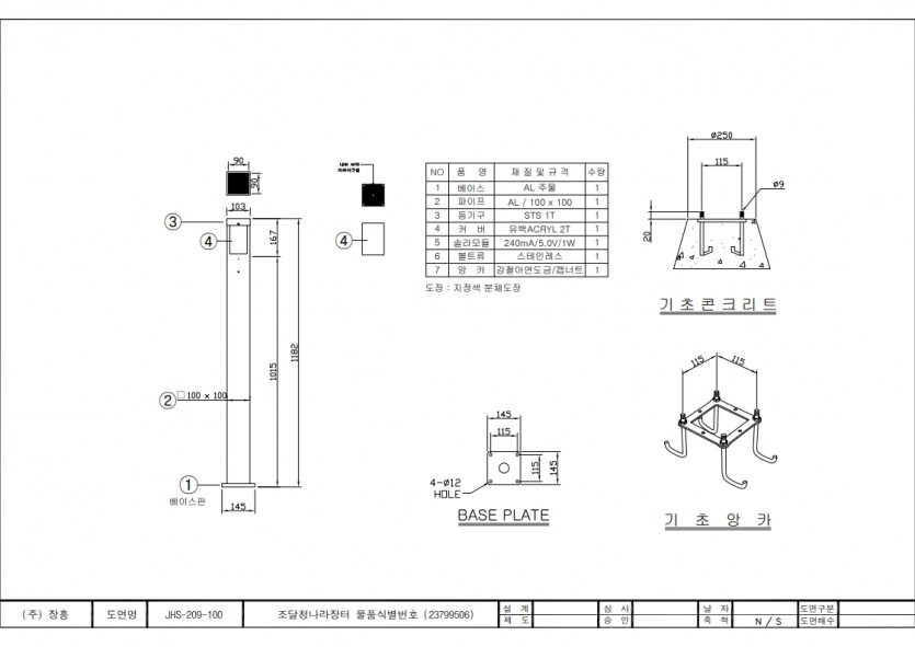
JHS-209-100
물품식별번호 23799506
제품사양
소비전력
1W,2W
규격
100*100*1182
재질
알루미늄
용도
잔디등
옵션
태양광
외형도

.