페이지 정보
본문
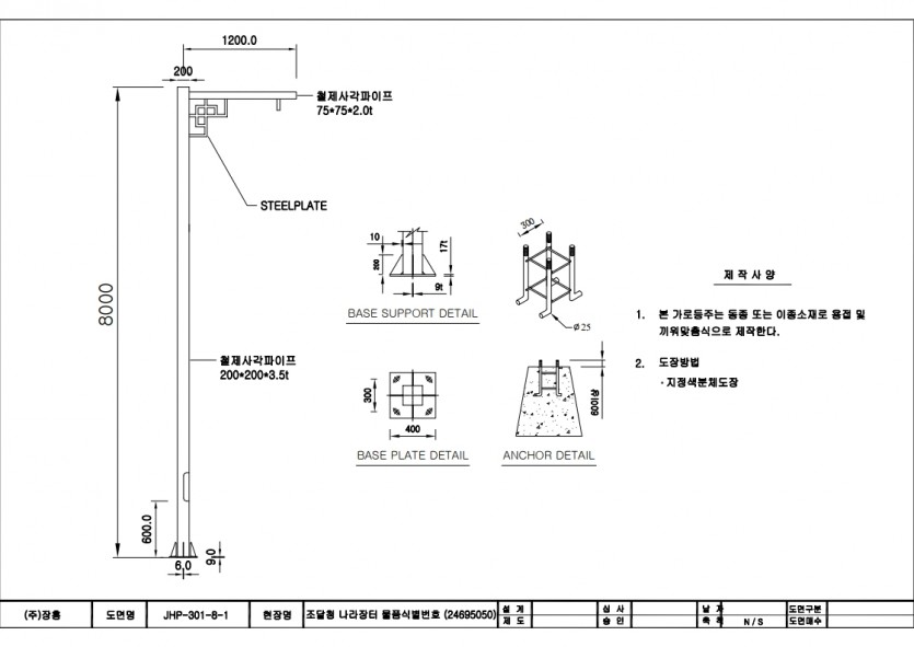
JHP-301-8-1, 8m, 1등용, 사각1단형
물품식별번호 24695050
제품사양
상단두께
3.5mm
하단두께
3.5mm
암의길이
1200mm
암의단면모양
사각형
크기(높이)
8m
모양
사각1단형
옵션/기타
등기구, 베이스커버, 배너걸이, 안정기, 램프 별도
재질
철재
암의재질
철재
부착등수
1등용
표면처리방식
용융도금 후 분체도장
상단지름
200X200mm
하단지름
200X200mm
외형도
.
